|
型號
Model No.
|
最大靜扭矩
± 10% Holding
Torque
|
額定電流
Current
/Phase
|
相感抗± 20%
Inductance
/Phase
|
相阻抗± 10%
Resistamce
/Phase
|
轉子慣量
Rotor
Inertia
|
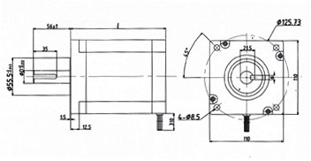
機身長度 L
Motor
length
|
重量
Motor
Weight
|
引線數量
# of
leads
|
|
N.m
|
A
|
mH
|
Ohms
|
g.cm 2
|
mm
|
Kg
|
|
|
|
110HB2A115-01
|
12
|
6
|
7.0
|
0.47
|
6000
|
112
|
5.8
|
4
|
|
110HB2A150-01
|
20
|
6
|
18.5
|
1.15
|
11000
|
150
|
8.4
|
4
|
|
110HB2A165-01
|
24
|
7
|
14
|
0.65
|
13000
|
165
|
9.5
|
4
|

